She Builds Quick Machines With Ease

She Builds Quick Machines With Ease

She builds quick machines with unrelenting passion, weaving a tale of innovative ingenuity that pushes boundaries and shatters norms. Her journey is one of unyielding dedication, where every step, every decision, and every innovation is guided by an insatiable desire to create machines that not only exceed expectations but redefine the very fabric of our … Read more

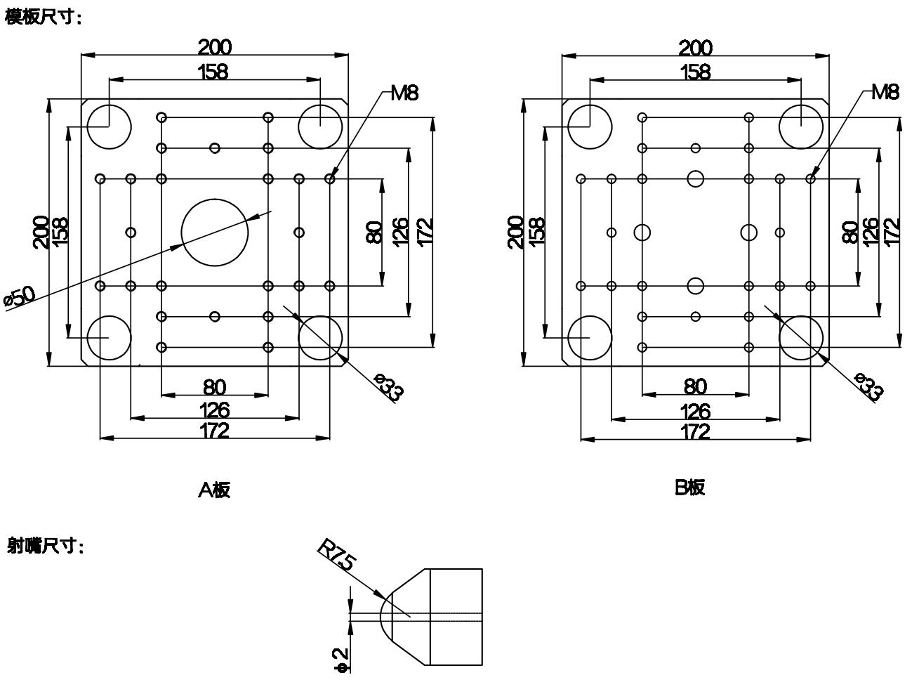
Build a DIY Plastic Injection Machine Yourself

Build a DIY Plastic Injection Machine Yourself

diy plastic injection machine sets the stage for this enthralling narrative, offering readers a glimpse into a story that is rich in detail and brimming with originality from the outset. With the rise of DIY projects and home-based manufacturing, the plastic injection machine has become a staple in many industries, allowing for precision and speed … Read more